

用途和范圍
物聯網漏電斷路器適用于交流50Hz,額定工作電壓至230V(1P+N,2P)/400V(3P+N,4P),額定工作電流為80A及以下的場所,主要用于民用住宅、工業、建筑等領域低壓終端配電的控制、隔離并對低壓終端配電線路和電氣設備過載、短路、漏電、過壓、欠壓等進行保護亦可用于不頻繁的通斷操作,同時帶有開放式通訊接口,可實現485串口、WIFI、2G、4G、NB等通訊方式。
依據標準
GB 10963.1-2005 電氣附件--家用及類似場所用過電流保護斷路器 第1部分:用于交流的斷路器
GB/T 16917.1-2014 家用和類似用途的帶過電流保護的剩余電流動作斷路器(RCBO) 第一部分:一般規則
NB/T 42149-2018 具有遠程控制功能的小型斷路器(RC-MCB)
CQC1149-2020 具有遠程控制功能的帶過電流保護的剩余電流動作斷路器(RC-RCBO)
型號及含義
① 物聯網小型斷路器
② 設計序號
③ 額定電流 (6A、10A、16A、20A、25A、32A、40A、50A、60A、80A)
④ 極數 (1P+N、2P、3P+N、4P)
⑤ B:不帶漏電(獨立式) BZ:不帶漏電(組合式) BZ:帶漏電(獨立式) BZ:帶漏電(組合式)
正常工作條件
1、環境溫度:-5℃~+40℃。
2、海拔高度:安裝地點的海拔高度不超過2000m。
3、大氣條件:安裝地點的空氣相對濕度在最高溫度+40℃是不超過50%,在最濕月份的平均濕度不超過+20℃時不超過90%。
4、安裝類別:Ⅱ、Ⅲ類。
5、安裝條件:安裝面與垂直面的傾斜度不超過5°,安裝處應無明顯的沖擊和振動。
6、安裝方式:采用TH35-7.5型標準導軌安裝,無需特別安裝,適用于非專業人員使用且不需要維護。
技術參數
額定電流:6A、10A、16A、20A、25A、32A、40A、50A、63A、80A
極數:1P+N、2P、3P+N、4P
額定工作電壓:230V/400V
額定短路分斷能力Icn:6000A
額定漏電動作電流:30mA(可調)
漏電脫扣時間:≤0.1S
機械壽命:20000次
過壓動作值:275±2V 過壓恢復值:250±2V
欠壓動作值:176±2V 欠壓恢復值:185±2V
功能描述
功能項目 | 功能描述 | |
安全保護 | 遠程控制分合閘 | 控制通斷 |
本地手動分合閘 | 控制通斷 | |
安全鎖(可遠程或本地) | 機構鎖(內部結構)不讓合閘 | |
短路保護 | 瞬時脫扣特性B、C和D型 | |
過載過流保護 | 有雙金屬片,電流互感器 | |
漏電保護 | 30 mA漏電流,0.1秒斷路保護 | |
漏電自檢 | 具有本地漏電手動自檢,遠程自檢 | |
過欠電壓保護 | 電壓低于176V 高于275V | |
缺相保護 | 報警提示 | |
三相不平衡報警提示 | 報警提示 | |
線路過溫保護 | 實時監制斷路器和接頭溫度,溫升超70℃報警,超90℃斷電 | |
雷擊浪涌保護 | 泄放電流15KV | |
自動送電 | 特定情況斷電后自動送電 | |
打火斷電報警 | 接頭打火報警 | |
惡性負載斷電報警 | 惡性負載斷電報警 | |
數據采集 | 電壓采集 | 有電壓互感器 |
電流采集 | 有電流互感器 | |
溫度采集 | 每極有溫度傳感器 | |
漏電采集 | 有漏電零序互感器 | |
物聯交互 | 功率限定 | 達到設定的功率后自動斷電 |
電量 | 用電量計量 | |
實電查詢用電數據 | 可實時查詢電壓、電流、用電量、漏電流、溫度數據 | |
安全信息記錄 | 可存儲、查詢12個月的用電故障或檢測記錄 | |
多功能物聯網接口 | 對接TCP/IP、RS485、wifi、Zigbee、NB-IOT、LoRa、2G、4G | |
手機APP管理 | 分線路記錄小時、每天、每月電量,12個月可查 | |
平臺集中管理 | 通過互聯網或專用網管理 | |
對接視頻監控 | APP對接 | |
本地邊緣計算 | 不依賴云端,在斷網的情況下進行本地的安全監控與操作 | |
安裝維護 | 結構內部機械閉鎖 | 跳閘后閉鎖,故障維修排除后,可手動解鎖 |
維修、更改線路、更換便利 | 產品更換維修可單獨拆卸,不影響其它線路 |
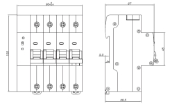
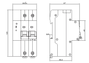
外形及安裝尺寸 | 獨立式可選 | |||
獨立式:
電源網關
1P
2P、1P+N
3P
3P+N、4P | 品牌 | 產品名稱 | 產品說明 | 備注 |
透明電力 | 物聯網小型斷路器 | 1P額定20A | 組合式 | |
透明電力 | 物聯網小型斷路器 | 1P額定32A | ||
透明電力 | 物聯網小型斷路器 | 1P額定63A | ||
透明電力 | 物聯網小型斷路器 | 2P額定32A | 組合式 | |
透明電力 | 物聯網小型斷路器 | 2P額定63A | ||
透明電力 | 物聯網小型斷路器 | 2P額定80A | ||
透明電力 | 物聯網小型斷路器 | 2P帶漏保額定32A | 組合式 | |
透明電力 | 物聯網小型斷路器 | 2P帶漏保額定63A | ||
透明電力 | 物聯網小型斷路器 | 2P帶漏保額定80A | ||
透明電力 | 物聯網小型斷路器 | 3P,單項額定32A | 組合式 | |
透明電力 | 物聯網小型斷路器 | 3P,單項額定63A | ||
透明電力 | 物聯網小型斷路器 | 3P,單項額定80A | ||
透明電力 | 物聯網小型斷路器 | 4P,單項額定32A | 組合式 | |
透明電力 | 物聯網小型斷路器 | 4P,單項額定63A | ||
透明電力 | 物聯網小型斷路器 | 4P,單項額定80A | ||
透明電力 | 物聯網小型斷路器 | 4P帶漏保,單項額定32A | 組合式 | |
透明電力 | 物聯網小型斷路器 | 4P帶漏保,單項額定63A | ||
透明電力 | 物聯網小型斷路器 | 4P帶漏保,單項額定80A | ||
注:組合式網關和斷路器之間及各斷路器之間電源的連接使用透明電力科技專用的連接片。
與傳統斷路器產品比較:
項目 | 要求 | 物聯微斷 | 傳統開關 |
本地手動分合閘 | 控制通斷 | ● | ● |
遠程控制分合閘(手機、后臺) | 控制通斷 | ● | 〇 |
安全鎖(可遠程或本地) | 機構鎖(內部結構)不讓合閘 | ● | 〇 |
短路保護 | B/C/D曲線短路電流,斷電保護 | 有,電子和傳統電磁系統雙重保護 | ● |
漏電保護 | 30mA漏電流,0.1秒斷路保護 | 有,動作漏電流值可以自定義 | ● |
過載過流保護 | 超過額定電流、約定負載斷電保護 | 有雙金屬片和電流互感器雙重保護 | 有,通過雙金屬保護 |
本地漏電自檢 | 手動按鍵自檢功能 | ● | 有,要求業主自己每月操作一次 |
手機操作漏電自檢 | 手機操作自檢功能 | ● | 〇 |
漏電自動自檢 | 設置成自動 | 有,每月可任意約定日期、指定時間自動檢測 | 〇 |
自動送電 | 特定情況斷電后自動送電 | 漏電自檢后自動送電 | 〇 |
漏電流、電壓、電流、功率檢測 | 漏電流、電壓、電流、功率數據 | 有,可實時查看 | 〇 |
功率限定 | 達到功率的限定要求斷電 | 有,精確控制 | 〇 |
過電壓保護 | 電壓高于275V斷電保護 | 有,動作電壓值可以自定義 | 〇 |
過電壓報警 | 電壓高于250V過壓預警 | 有,預警電壓值可以自定義 | 〇 |
欠電壓保護 | 電壓低于175V斷電保護 | 有,保護電壓值可以自定義 | 〇 |
欠電壓報警 | 電壓低于195V欠壓預警 | 有,預警電壓值可以自定義 | 〇 |
缺相保護 | 報警提示/斷電保護 | 有,可以設定是否斷電保護 | 〇 |
三相不平衡報警提示 | 報警提示/斷電保護 | 有,可以設定是否斷電保護 | 〇 |
打火斷電報警/保護 | 報警提示/斷電保護 | 有,可以設定是否斷電保護 | 〇 |
線路過溫保護 | 實時監控開關端子溫度 | 有,70℃預警,90℃斷電 | 〇 |
雷擊浪涌保護 | 泄放電流15KV | ● | 〇 |
電量統計 | 電量計量統計 | 有,分線路計算每小時、每天、每月電量 | 〇 |
多功能物聯網接口 | 通訊和數據接口 | 對接TCP/IP、RS485、wifi、Zigbee、NB-IOT、LoRa、2G、4G、5G | 〇 |
項目 | 要求 | 物聯微斷 | 傳統開關 |
安全信息記錄 | 用電故障和檢測記錄 | 有,24個月可查詢 | 〇 |
對接視頻監控 | APP對接 | 有,可自由選擇需對接品牌 | 〇 |
手機APP管理 | 用戶用電安全與能耗管理 | ● | 〇 |
物業系統管理 | 本物業電流電壓負載波動,用電預警 | ● | 〇 |
物聯網斷路器與同類產品相比較:
1、透明科技在產品研發過程中,在產品機械結構、線路連接及電子等方面申請了38項專利,擁有自己足夠的知識產權,很多友商的產品內部結構已經侵犯了透明電力科技的知識產權。
2、過溫保護測溫準確。產品的測溫取自產品的出線端,實時獲得溫升數據。同行友商取自斷路器內部。
3、熱過載保護。產品內部增加了電流互感器電流取樣保護,但同時保留了傳統開關的雙金屬熱過載保護,同行友商斷路器內部沒有傳統的雙金屬發熱保護。
4、組合式斷路器網關和斷路器之間以及斷路器之間電源的連接,透明電力科技使用專用的插片連接,方便、快捷、可靠、美觀。
5、透明電力科技有一體式的產品,網關電源內置,占用空間節約50%,市場上都是拼接式的。
產品安全防護八大功能:
監測、報警、跳閘保護、自定義、統計、查詢、現場操作、遠程操控。
1. 實時監測功能。
實時監測以下數據:接線端子溫度、漏電流(剩余電流)、電壓、電流、電量、功率。
實時監測斷路器的狀態,知道線路是否存在故障及存在項目故障。
透明電力APP和后臺管理系統實時遠程監控上述數據。
2. 報警(預警),只報警不跳閘。
將線路中的各類超過正常標準數據但還不需斷電保護的情況及時向后臺報警并推送給相關負責人,能夠將線路的隱患消滅在萌芽狀態,讓工程師有針對性的檢修。
可以報警的情況包括:過壓(250V)、欠壓(195V)、端子過溫(70℃)、功率過大過小、耗電量超標、線路打火故障、缺相、三相不平衡、惡性負載斷電報警等。
當產品檢測到這些電氣安全隱患、參數達到預警值以后,自動將隱患的位置(GPS定位)、類型和發生時間發送到后臺同時推送給相關負責人,負責人第一時間就掌握異常情況,及時安排人員檢查排除隱患。
以上各種報警都能夠保存在后臺數據庫中備查。
3. 斷電(跳閘)保護
當線路故障數據到達跳閘的條件,開關自動分閘斷電,同時將情況向后臺報警并推送給相關負責人,負責人第一時間就掌握異常情況,及時安排人員檢查排除隱患。
能夠引起跳閘斷電的條件有:漏電、短路、端子過溫、過壓、欠壓、過流過載、功率超標、電量超標。線路打火故障、缺相、三相不平衡、惡性負載斷電可以選擇報警的同時進行斷電保護。
4、自定義
預警和跳閘斷電的條件,產品出廠時按照常規設定好,但是用戶也可以根據自己線路的要求在后臺對一些條件進行自定義,修改預警和斷電條件。
可以在后臺自定義的參數有:過壓預警和跳閘電壓值、欠壓預警和跳閘電壓值、漏電預警和跳閘的剩余電流值、端子過溫預警和跳閘溫度、過載電流值、功率限定值。線路打火故障、缺相、三相不平衡、惡性負載斷電可以選擇報警的同時是否進行斷電保護可以自定義設定。
定時自動合閘分閘的時間和漏電自檢的時間都可以在后臺由用戶自定義。
5、本地(現場)操作
工作人員在現場可以手動進行分閘、合閘及漏電自檢操作,此功能與傳統開關使用方法一樣。本地分閘以后,遠程操作合閘自動失效,手動合閘之后恢復。
6、遠程操控
工作人員可以在后臺和手機遠程操作開關合閘、分閘,遠程操作分閘以后,本地(現場)操作合閘自動失效,遠程操作合閘之后恢復。
后臺和手機可以按照自定義的時間自動合分閘,可以按照自定義的時間對開關周期的進行漏電自檢。
7、統計
后臺可以按照用戶的要求對每一個開關控制的線路或者幾個開關控制的線路的日、周、月、年耗電量進行統計。可以對各開關控制線路的故障和預警進行大數據分析,作出各類統計。在后臺和手機APP可以隨時查閱所統計的信息數據。
8、查詢
通過透明電力數據平臺及APP,可以查詢到以下各類信息:
所有住戶各類實時用電報警與安全信息記錄;過去12個月每個線路(住戶)每月用電量;過去12個月每個線路(住戶)電壓電流波動;過去12個月每個線路(住戶)負載波動、故障報警;每個線路(住戶)漏電流、端子溫度、電壓、電流、功率、電量等實時數據。
歷史記錄實時備份,歷史用電功率、用電量、預警信息、故障信息、操作記錄等信息可查,信息最長可保存兩年。
上一篇:電源網關 PGW-4RL下一篇:沒有下一篇